
많은 애플리케이션에서, 과전압으로부터 회로를 안전하게 보호하는 것은 매우 중요합니다. 이 글은 보호 회로를 사용하여 과전압을 중화, 즉 상쇄할 수 있는 방법에 대해 설명합니다.
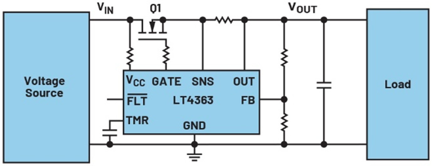
과전압은 전원 분배 시스템에서 큰 부하가 빠르게 차단될 때와 같은 상황에서 발생할 수 있습니다. 같은 전원공급장치에 연결된 다른 부하를 보호하기 위해서는 서지 보호가 필요합니다. 그림 1은 보호가 필요한 전자 회로 앞단에 LT4363을 사용한 보호 회로 구성을 보여줍니다. 이 예시는 정격 전원 전압이 24V인 산업용 애플리케이션에서 가져온 것입니다.

그림 1. 전압 서지를 차단하기 위해 사용되는 서지 보호 회로의 개략도
일반적으로, 보호하고자 하는 전자회로는 과전압이 발생하더라도 중단 없이 계속 동작해야 합니다. 이는 보호 회로가 회로 차단기(그림 1의 Q1)를 선형 영역에서 동작시킬 것을 요구합니다. 과전압이 발생하는 동안 MOSFET은 완전히 켜지지도, 완전히 꺼지지도 않으며, 부분적으로만 켜진 상태를 유지하게 됩니다. 이 동작 상태에서 MOSFET은 마치 저항처럼 동작하며, 과전압은 MOSFET 양단에서 떨어집니다. 전압 상승으로 인해 발생한 에너지는 MOSFET Q1 내부에서 열로 변환됩니다. 어떤 MOSFET이 선택됐는가에 따라 일정 시간 동안만 이 열을 견딜 수 있을 뿐이며, 이 시간이 지나면 과도한 열로 인해 MOSFET이 손상될 수 있습니다.

그림 2. MOSFET의 통상적인 SOA 곡선
그림 2는 MOSFET의 통상적인 안전 동작 영역(SOA) 곡선을 보여줍니다. 이 곡선은 MOSFET이 특정 전압 강하에서 어느 정도의 전류를 얼마 동안 흘릴 수 있는지를 나타냅니다.MOSFET을 통해 더 높은 전류를 더 오랫동안 흘리고자 한다면, 더 넓은 SOA 범위를 가진 더 큰 MOSFET을 선택해야 합니다. SOA 범위가 넓을수록 MOSFET의 크기는 커지며, 동시에 부품 비용도 증가하게 됩니다.
MOSFET의 크기를 최적화하려면 가능한 한 작은 MOSFET을 안전하게 동작시키는 시도가 이루어져야 합니다. 즉, 지나치게 큰 부품을 사용하지 말고, 해당 MOSFET의 SOA 대부분을 애플리케이션에서 활용할 수 있어야 하는 것입니다. 이를 위해서는 제어 IC가 현재 동작 상태를 정밀하게 파악해 MOSFET이 SOA의 안전 범위에서 동작하고 있는지 판단할 수 있어야 합니다. 하지만 많은 제어 IC는 MOSFET을 통해 흐르는 전류를 측정할 뿐이기에 MOSFET 양단의 전압 강하까지 함께 파악할 수 있다면 훨씬 더 정확한 판단이 가능합니다.
LT4363 서지 보호 소자는 MOSFET을 통해 흐르는 전류뿐만 아니라 소스와 드레인 사이에 인가되는 전압도 함께 고려합니다. 이는 MOSFET을 선형 영역에서 훨씬 더 안전하게 동작시킬 수 있으며, 결과적으로 더 작은 MOSFET을 선택해 시스템 비용을 줄일 수 있습니다.
보호 메커니즘은 그림 1의 TMR 핀에 연결된 타이머 커패시터를 충전하는 방식으로 동작하며, 이 충전 속도는 측정된 전류와 드롭아웃 전압에 따라 결정됩니다. 만약 커패시터 전압이 1.275V를 넘으면 경고가 발생하고, 1.375V 이상이 되면 MOSFET을 완전히 차단함으로써 부품을 보호하게 됩니다.

그림 3. 드레인-소스 전압 함수에 따라 타이머 커패시터를 충전해 LT4363의 SOA 곡선을 유사 시뮬레이션한 예시
그림 3은 그림 1의 MOSFET Q1에 걸린 VDS 전압으로 인해 LT4363의 타이머 커패시터 전압이 어떻게 상승하는지를 보여줍니다. MOSFET Q1을 통해 흐르는 전류에 대해서도 이와 유사한 충전 그래프가 존재합니다. 이들 파라미터는 MOSFET의 SOA 곡선이 초과되지 않도록 보장하며, 안전한 동작과 동시에 과전압 보호를 실현하게 됩니다.
과전압 보호 모듈은 겉보기에는 단순하고 특별할 것이 없어 보이지만, 작은 특성이 과전압 보호의 동작 방식과 적합한 MOSFET 선택에 커다란 차이를 만들어낼 수 있습니다.
글: 프레데릭 도스탈(Frederik Dostal) 전원 관리 전문가 / 아나로그디바이스(Analog Devices, Inc.)
저자 소개
프레데릭 도스탈(Frederik Dostal) 은 전원 관리 전문가로서 이 업계에서 20년 넘게 종사하고 있다. 독일의 에를랑겐 대학교에서 마이크로일렉트로닉스를 전공하고, 2001년에 내셔널 세미컨덕터(National Semiconductor)에 입사해서 FAE로서 고객 프로젝트로 전원 관리 솔루션 구현과 관련한 풍부한 경험을 쌓았다. NS 재직 시 애리조나주 피닉스에서 4년 간 근무하면서 애플리케이션 엔지니어로서 스위치 모드 전원공급장치(SMPS)를 맡았다. 2009년에 아나로그디바이스(Analog Devices)에 입사했으며, 이후 제품 라인 및 유럽 기술 지원과 관련한 다양한 직책을 거쳤다. 현재는 풍부한 설계 및 애플리케이션 지식을 바탕으로 전원 관리 전문가로서 ADI 뮌헨 지사에서 근무하고 있다.