
更多後備電源相關
影音►https://reurl.cc/Aye6Zj
解決方案►https://reurl.cc/qZjK8E
作者:Bruce Haug
背景
種種跡象表明,自動駕駛汽車革命即將全面展開。汽車公司正在與谷歌和優步等科技巨頭以及著名的初創企業合作,開發下一代自動駕駛汽車,這些汽車將改變我們的道路和通道,並為未來的智慧城市奠定框架。他們正在利用機器學習、物聯網 (IoT) 和雲端等技術進步來加速發展。
更重要的是,自動駕駛汽車將推動Uber和Lyft等流行,乘車共用服務已經啟動顛覆了行業思維。這正在共同創造一個智慧和無人駕駛的未來世界。
最終,所有自動駕駛汽車都將採用感測器、攝像頭、雷達、高性能GPS、光探測和測距(lidar)、人工智慧(AI)和機器學習的組合來實現一定程度的自主性。與安全且可擴展的物聯網、數據管理和雲端解決方案的連接也很重要,因為它們為收集、管理和分析感測器數據提供了彈性和高性能的基礎。
聯網汽車的興起具有深遠的社會影響,從環境效益到提高安全性。道路上的汽車減少也意味著溫室氣體排放的減少,從而降低能耗和改善空氣品質。
對於自動駕駛汽車和智慧道路系統,端點遙測、智慧軟體和雲都是必不可少的推動因素。自動駕駛汽車中的車載攝像頭和感測器收集大量數據,這些數據必須適時處理,以保持車輛在正確的車道上並在前往目的地時安全運行。
基於雲的網路和連接是組合中的另一個重要部分。自動駕駛汽車將配備支持機器對機器通訊的車載系統,使他們能夠向道路上的其他車輛學習,以便根據天氣變化和不斷變化的道路狀況(如繞道和路徑碎片)進行調整。先進的演算法和深度學習系統是確保自動駕駛汽車能夠快速、自動地適應不斷變化的場景的核心。
除了雲計算基礎設施的可擴展性和智慧數據管理等特定元件之外,還需要關鍵任務系統(包括電源)的冗餘。目前還提供冗餘電池解決方案,例如LTC3871,它與兩個具有不同額定電壓的電池配合使用,例如48 V鋰離子電池和12 V鉛酸電池。但是,這些現有解決方案中的大多數不能為相同的電池電壓提供冗餘,例如兩個12 V,24 V或48 V電池。直到現在,就是這樣。
顯然,需要一個雙向降壓-升壓DC-DC轉換器,該轉換器可以在兩個12 V電池之間切換。這種DC-DC轉換器可用於為任一電池充電,並允許兩個電池向同一負載提供電流。此外,如果其中一個電池發生故障,則需要檢測該故障並將其與另一個電池隔離,以便另一個電池繼續為負載供電而不會造成任何中斷。ADI公司最近發佈的LT8708 雙向DC-DC控制器解決了利用LT8708控制器連接兩個具有相同電壓的電池的關鍵功能。
單一雙向IC解決方案
LT8708 是一款效率為98%的雙向降壓-升壓開關穩壓控制器,可在兩個具有相同電壓的電池之間工作,非常適合自動駕駛汽車中的冗餘。它可以在高於、低於或等於輸出電壓的輸入電壓下工作,使其非常適合電動和混合動力汽車中常見的兩個 12 V、24 V 或 48 V 電池。LT8708 在兩節電池之間工作,並在其中一節電池發生故障時防止系統關斷。該元件還可用於 48 V/12 V 和 48 V/24 V 雙電池系統。
LT8708採用單電感器,在2.8 V至80 V的輸入電壓範圍內工作,同時產生1.3 V至80 V的輸出電壓,根據外部元件的選擇和相數提供高達幾千瓦的功率。它簡化了電池/電容器備份系統中的雙向電源轉換,這些系統需要正向或反向調節V OUT、V IN和/或I OUT,IIN。該元件的六種獨立調節形式使其可用於多種應用。
LT8708-1 與 LT8708 並聯使用以增加功率和相位。LT8708-1 始終作為主 LT8708 的從機運行,可以異相計時,並且能夠提供與主站一樣多的功率。一個主站最多可連接12個從站,按比例增加系統的功率和電流能力。
可以監控和限制轉換器輸入側和輸出側的正向和反向電流。所有四個電流限值(正向輸入、反向輸入、正向輸出和反向輸出)都可以使用四個電阻獨立設置。結合方向 (DIR) 引腳,該晶片可配置為處理從 V 輸入到 V 輸出或從 V 輸出到 V 輸入的電源,非常適合汽車、太陽能、電信和電池供電系統。
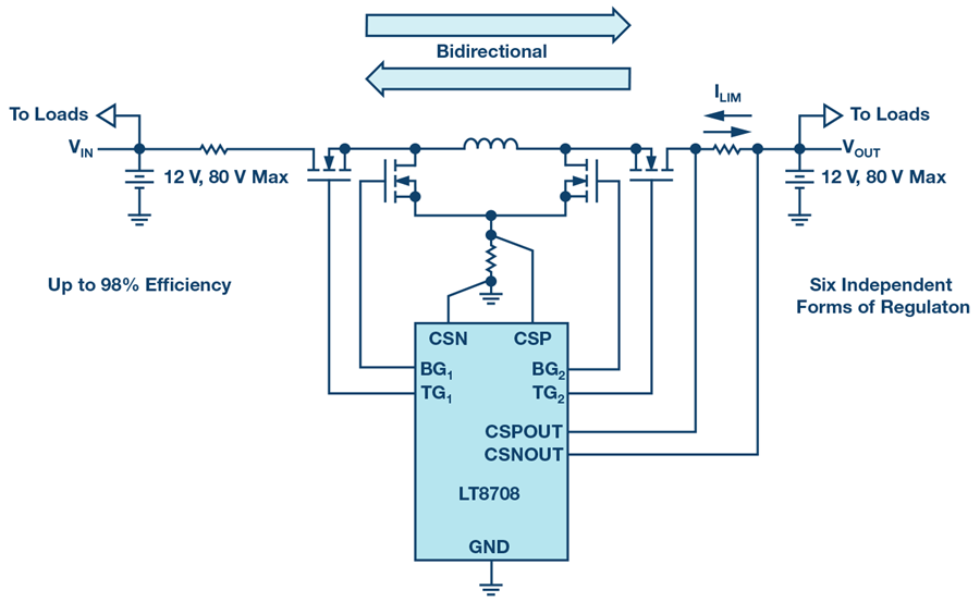
LT8708 採用 5 mm × 8 mm 40 引腳 QFN 封裝。提供三種溫度等級,擴展級和工業級的工作溫度範圍為 –40°C 至 +125°C,汽車級高溫範圍為 –40°C 至 +150°C。 圖1所示為簡化的LT8708框圖。

圖1.LT8708簡化的雙向雙12 V電池應用原理圖。
完整解決方案
圖2中的框圖顯示了在汽車應用中完成雙電池冗餘電路所需的其他器件。如圖所示,LT8708與兩個LT8708-1器件配合使用,形成一個三相解決方案設計,可在任一方向上提供高達60 A的電流。可以添加額外的 LT8708-1 元件,用於高達 12 相或超過 12 相的更高功率應用。AD8417是一款雙向電流檢測放大器,可檢測流入和流出電池的電流。當此電流超過預設值時,LTC7001 高端 NMOS 靜態開關驅動器將打開背靠背 MOSFET,以將任一電池與電路隔離開來。

圖2.完整解決方案的雙電池冗餘框圖。
LTC6810-2 監視和控制鋰離子電池。它精確測量電池單元,總測量誤差小於1.8 mV。將多個 LTC6810-2 元件並聯到主機處理器將創建額外的冗餘,以監視電路中的其它電壓。LTC6810-2 具有一個用於高速、射頻免疫、長距離通訊的 isoSPI TM 介面,並且它支援雙向操作。該元件還包括對每個電池進行PWM佔空比控制的被動平衡,以及執行冗餘電池測量的能力。
控件概述
LT8708 提供了一個輸出電壓,該輸出電壓可高於、低於或等於輸入電壓。它還在輸入和輸出端提供雙向電流監控和調節功能。ADI專有控制架構在降壓、升壓或降壓-升壓工作區域採用電感電流檢測電阻。電感電流由 V C 引腳上的電壓控制,VC 引腳是六個內部誤差放大器 EA1 至 EA6 的組合輸出。這些放大器可用於限制或調節其各自的電壓或電流,如表1所示。
表 1.誤差放大器(EA1 至 EA6)
Amplifier Name |
Pin Name |
Used to Limit or Regulate |
|
EA1 |
IMON_INN |
Negative IIN |
|
EA2 |
IMON_ON |
Negative IOUT |
|
EA3 |
FBIN |
VIN Voltage |
|
EA4 |
FBOUT |
VOUT Voltage |
|
EA5 |
IMON_INP |
Positive IIN |
|
EA6 |
IMON_OP |
Positive IOUT |
VC 電壓的最小-最大範圍通常約為 1.2 V。最大V C電壓控制最正電感電流,因此控制從V IN到V OUT的最大功率流。最小V C電壓控制最大的負電感電流,因此控制從V OUT到VIN的最大功率流。
在V OUT 調節的簡單示例中,FB OUT 引腳接收V OUT電壓反饋訊號,該訊號與使用EA4的內部基準電壓進行比較。低 V OUT 電壓使 V C 升高,因此,更多的電流流入 VOUT。相反,較高的VOUT會降低V C,從而將電流降低到V OUT,甚至從V OUT中汲取電流和功率。
如前所述,LT8708 還在輸入和輸出端提供雙向電流調節功能。VOUT 電流可以在正向和反向(分別為 EA6 和 EA2)上調節或限制。VIN電流也可以在正向和反向(分別為EA5和EA1)上調節或限制。
在常見應用中,VOUT可能使用EA4進行調節,而其餘誤差放大器則監視輸入或輸出電流過大或輸入欠壓情況。在其他應用中,例如電池備份系統,連接到V OUT的電池可能以恆定電流(EA6)充電至最大電壓(EA4),有時也可以反轉以使用其他誤差放大器將電源回V IN,以調節V IN並限制最大電流。有關此主題的更多資訊,請參見 LT8708 數據手冊►https://anstekadi.com/Download?Keyword=LT8708-1
結論
LT8708-1 為相同電壓的雙電池DC-DC汽車系統帶來了新的性能、控制和簡化水準。無論是將其用於兩個電源之間的能量傳輸以實現冗餘,還是用於任務關鍵型應用中的備用電源,LT8708 都允許使用者使用具有相同電壓的兩個電池或超級電容器工作。這種能力使汽車系統工程師能夠為汽車電子未來鋪路,使汽車更安全、更高效。
作者

Bruce Haug
Bruce Haug於1980年獲得聖約瑟州立大學電氣工程學士學位。他於2006年4月加入凌力爾特(現為ADI的一部分),擔任產品營銷工程師。Bruce過去的經驗包括在Cherokee International,Digital Power和Ford Aerospace工作。他是一個狂熱的體育參與者。
聯繫我們
ADI 所有產品請洽【 安馳科技 】
安馳科技|ADI亞德諾半導體網站:https://anstekadi.com
安馳科技 LINE 官方帳號:https://lin.ee/5gcKNi7
安馳科技 Facebook 官方帳號:https://www.facebook.com/ANStek3528
安馳科技EDM訂閱 https://anstekadi.com/Home/EDM
申請樣品與技術支援:https://www.surveycake.com/s/dQ3Y2
與我聯絡:Marketing.anstek@macnica.com