

產品介紹
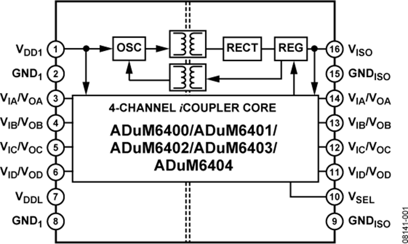
ADuM640x是一款四通道數位隔離器,搭載了isoPower®絕緣型DC / DC轉換器。該轉換器是基於Analog Devices, Inc.的iCoupler®技術,可從5.0 V的輸入電源提供高達500 mW的穩壓隔離電源,或從3.3 V的電源提供3.3 V的電壓,如表1所示的功率水平。這消除了低功耗隔離設計中需要單獨的隔離DC / DC轉換器的需要。iCoupler晶片尺寸的變壓器技術被用於隔離邏輯訊號和DC / DC轉換器的磁性元件。這使得它成為了小型化的隔離解決方案。
ADuM640x隔離器提供了多種通道配置和數據速率的四個獨立隔離通道(有關詳細訊息,請參見訂購指南)。
isoPower使用高頻開關元件通過其變壓器傳輸電源。在PCB佈局方面,需要特別注意滿足排放標準。請參閱AN-0971應用手冊以獲取有關電路板佈局建議的訊息。
請加入安馳科技LINE好友詢問,以獲取相關建議。►https://lin.ee/5gcKNi7
優勢特點
-
isoPower集成、隔離式DC/DC轉換器
-
穩定的3.3V或5V輸出
-
高達400毫瓦的輸出功率
-
四個DC-to-25 Mbps(NRZ)訊號隔離通道
-
Schmitt觸發器輸入
-
16引腳SOIC封裝,具有7.6毫米的阻極距離
-
高溫操作:105°C
-
高共模瞬態免疫:>25 kV/μs
-
有關其他功能,請參閱數據表
請加入安馳科技LINE好友詢問,以獲取相關資訊。►https://lin.ee/5gcKNi7
聯繫我們
ADI所有產品請洽【 安馳科技 】
安馳科技|ADI亞德諾半導體網站:https://anstekadi.com
安馳科技 LINE 官方帳號:https://lin.ee/5gcKNi7
安馳科技 Facebook 官方帳號:https://www.facebook.com/ANStek3528
申請樣品與技術支援:https://www.surveycake.com/s/dQ3Y2
與我聯絡:marketing@anstek.com.tw