



產品介紹
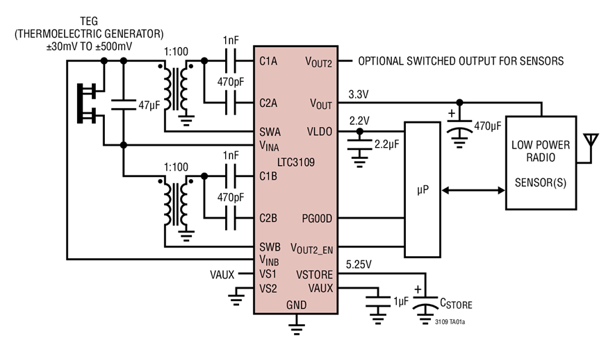
LTC3109是一款高度整合的DC/DC轉換器,非常適合從極低輸入電壓源(如熱電發電機和熱電堆)中收集多餘的能量。其獨特的、專有的自動極性拓撲結構*允許它從極低的輸入電壓(最低為30mV)開始運行,而不受極性的影響。
使用兩個小型升壓變壓器和外部能量存儲元件,LTC3109為無線感測和數據采集提供了完整的電源管理解決方案。2.2V的LDO可以為外部微處理器供電,而主輸出可以編程為四個固定電壓之一。
功率指示器信號表明主輸出處於調節狀態。第二個輸出可以由主機啟用。存儲電容器(或電池)也可以充電,以在輸入電壓源不可用時提供電源。極低的靜態電流和高效率最大化了可用於應用的收集能量。
LTC3109有一個小型的熱增強型20引腳(4mm × 4mm)QFN封裝和一個20引腳SSOP封裝可供選擇。
應用
-
遠程感測器和無線電源
-
暖通空調系統
-
自動測量
-
建築自動化
-
預防性維護
-
工業無線感測
優勢特點
-
可以從正負30mV的輸入電壓開始運行。
-
熱電發電機之間只需要少於1°C的溫差即可收集能量。
-
採用專有的自動極性結構。
-
提供完整的能量收集電源管理系統。
-
可選擇的VOUT電壓為2.35V、3.3V、4.1V或5V。
-
2.2V、5mA的LDO。
-
邏輯控制的輸出。
-
具備能量存儲功能,可在停電期間繼續運行。
-
-
具備功率良好指示燈。
-
使用小型升壓變壓器。
-
有小型的20引腳(4mm × 4mm)QFN封裝或20引腳SSOP封裝。
聯繫我們
ADI所有產品請洽【 安馳科技 】
安馳科技|ADI亞德諾半導體網站:https://anstekadi.com
安馳科技 LINE 官方帳號:https://lin.ee/5gcKNi7
安馳科技 Facebook 官方帳號:https://www.facebook.com/ANStek3528
申請樣品與技術支援:https://www.surveycake.com/s/dQ3Y2
與我聯絡:marketing@anstek.com.tw