電池供電應用場景相當普遍,範圍涵蓋可攜式儀器儀錶裝置、可穿戴裝置、可攜式醫療裝置和工業電池供電解決方案等。日常涉及的產品則包含手機、平板和筆記型電腦至智慧手錶、健身追蹤器、流量計或血氧儀,以及其它即時檢測診斷和監測生命體徵的可攜式裝置。電池的重要性毋庸置疑,而優化電池供電解決方案也備受歡迎。
以電池為電源對裝置進行供電時,所面臨的挑戰包括性能、外型尺寸、散熱和電池壽命等,設計者也總是不斷尋求具備卓越性能,精巧尺寸、超低功耗的解決方案。
系統工程師可透過優化功率調節來獲得卓越的高效電池供電解決方案。本文闡述常見的電池供電應用和挑戰,討論了電源監控器的基本功能及特性,並重點介紹ADI電源監控器特色產品的優勢,以及值得關注的常見規格,最後並提出如何運用電源監控器來優化電池供電解決方案。
電源監控器產品概述
電源監控器負責對系統內的電壓軌進行監控,確保系統工作時處於正確的位準狀態下,避免不符合規格的電壓導致性能問題或系統故障。如果電壓軌低於或高於預定閾值,電源監控器將置位訊號來啟用、禁用或重設其他裝置,這些裝置通常是微處理器或微控制器。
圖1所示3.3V電壓為微控制器供電而受到監控,一旦檢測到該電壓軌低於預定閾值(假設復位閾值為2.93V),電源監控器將向微控制器發出重定訊號,在電壓恢復前保持重定模式狀態。電源供應恢復後,還將增加復位超時週期以確保電壓已穩定且回到正常工作狀態。
電源監控器的選擇依應用不同而略有差異,產品區別大致可分為幾個方面:輸入閾值精度、可調閾值、低電源電流、可調時間延遲、精巧封裝尺寸和可編程能力。

圖1. 欠壓檢測示例

圖2. 使用ADM8615電源監控器的典型應用電路示例
電源監控器的附加特性
►手動復位:此功能便於使用者或外部邏輯電路啟動重定, 與連接到按鈕開關的MR接腳相似。包括可在工廠編程的手動重定輸入可配置為接收到升緣、降緣、低位準有效或高位準有效輸入時置位元重定,系統開發人員可根據應用進行選擇
►看門狗計時器:用於監視微處理器活動,若處理器停止或陷入無限執行迴圈時,可透過置位復位或不可遮罩中斷進行適當操作
►電源故障比較器:監視可能的電源故障,輸出訊號是獨立於重定接腳的非遮罩式插斷訊號,為受監控電源軌中即將發生故障提供早期預警
►窗口檢測:確保被監控的電壓在指定範圍內運行,當受監控訊號高於過壓閾值時,視窗檢波器會置位元輸出重定訊號,因此可為系統提供一層額外的保護
ADI電源監控器特色產品及優化電池供電解決方案實例
一、NanoPower電源監控器
NanoPower產品的電源電流或靜態電流一般小於1uA,因而大幅降低了系統整體功耗,延長電池使用時間。極低的電流適合可攜式電池供電設備,常見應用包括物聯網、可攜式醫療設備和設備上的人工智慧。
圖1示例了電池供電的物聯網設備應用系統,ADM8615監控MCU供電軌,當電壓進入欠壓狀態後,ADM8615觸發MCU重定訊號。該功能從MCU監控軟體執行,也可針對檢測到的任何故障觸發重設。ADM8615具備看門狗特性,僅消耗92nA靜態電流。
更多Nanopower資訊👉https://anstekadi.com/Article/Detail/3456
1.1. ADM861X系列
表1列出了具有手動復位和看門狗定時功能的超低功耗ADM861x 系列。
►低電壓監控:ADM8612和ADM8615監控低至0.5V的低電壓
►手動復位:ADM8611/ADM8612/ADM8613和ADM8615具有手動復位特性,通常連接到外部訊號以便在超過監控電壓範圍時手動觸發復位,透過WDI接腳監控微處理器。ADM8613和ADM8614支援看門狗禁用輸入功能
►看門狗計時器:ADM8613/ADM8614/ADM8615具有看門狗計時器,ADM8614具有看門狗超時擴展輸入,支援將看門狗超時週期從1.6秒延長至100秒。
以上這些元件具有極低的功耗,適合於可攜式裝置、電錶、電能計量等如此能效比敏感和所需電壓較低的應用和系統。採用6極點、1.46mm x 0.96mm WLCSP封裝,額定溫度範圍為-40℃至85℃。
一般而言,監控低電壓並非易事,電壓過低時,傳統電源監控器無法保證正確的重定輸出狀態。圖3電壓流向為電池Battery- >buck/boost->1.8V->LDO->0.85V、1V或1.2V,透過MAX16162進行監控。此產品具有無尖峰脈衝啟動,靜態電流低至825nA,採用精巧的WLP封裝。VCC為0V時,透過復位接腳同步電流,如此既保證了電源電壓為零時重定的有效狀態,又提供了無突刺上電操作。圖3右下角所示為傳統電源監控器與無突刺電源監控器示意,在電源上升期間無突刺電源監控器的復位保持低位準。

圖3. 低壓處理器核心應用
1.2. MAX16161/MAX16162
此款毫微功耗、單通道監控電源監控器MAX16161具有手動復位(MR)輸入,監控電源電壓並在輸入電壓低於重定閾值時強制復位。在監控電壓上升到出廠設定閾值電壓 (VTH) 以上後, 復位輸出在復位超時週期內保持有效,然後設為無效。這使得目標微控制器或微處理器可離開重定模式並開始運行。額定溫度範圍為-40℃至125℃,採用微型1.06x0.73mm、4接腳WLP 封裝和4接腳SOT23封裝,MAX16162提供5接腳SOT23封裝。
二、整合看門狗計時器的電源監控器
使用整合看門狗計時器的電源監控器會負責監控微處理器或微控制器中的軟體執行,是優化電池供電解決方案的另一種方式。如果微處理器陷入無限執行迴圈,則會透過置位復位或不可遮罩中斷的方式來採取合適的操作。看門狗輸入接腳或WDI上每次由低到高或高到低邏輯變換時,都會使計時器電路清零, 如果計時器在預設的看門狗超時週期(PWT),復位輸出則會置位。為了避免重設,微處理器必須切換WDI接腳。如果微處理器未能在超時週期內切換WDI接腳則會表示發生代碼執行錯誤,產生的重設脈衝將會以已知狀態重新開機微處理器。
對於直接連接或影響人體的電池供電醫療設備,安全、可靠和精準十分重要,例如使用胰島素泵時胰島素過量或不足、或電源故障等風險。整合看門狗計時器的電壓電源監控器為系統的電源和軟體部分建構簡單高效的可靠性特性,當看門狗計時器檢測到微控制器的任何代碼執行錯誤時,可以立即採取適當的操作。
2.1. ADM861X系列:此系列為NanoPower電源監控器,如前所述具有極低的電流
2.2. MAX16152/MAX16153/MAX16154和MAX16155系列:正常工作期間,WDI 輸入在選定的超時週期或PWT內經歷由高到低的有效邏輯變換時內部計時器會清除並重新啟動。若WDI輸入在選定的超時週期內選擇性控制或切換,WDO則保持高位準;若WDI輸入在超時週期到期之前未選擇性控制,看門狗輸出為看門狗輸出脈衝寬度或TWDO置低。此系列典型電源電流為400nA,重定閾值電壓介於1.5V至5V,步驟為100mV,MAX16152/MAX16154採用0.86x1.27mm 6接腳WLP封裝,MAX16153和MAX16155採用6接腳SOT23封裝,所有元件的工作溫度範圍均為-40°C至135°C。
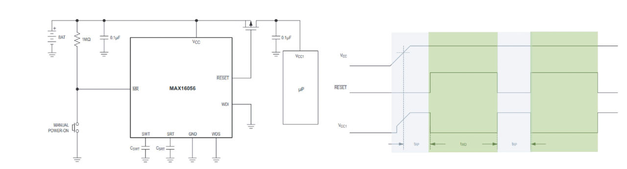
2.3. MAX16056/MAX16057/MAX16058/MAX16059:該系列具有極低的靜態電流,典型值約為125nA,可監控單個系統電源電壓,提供多個經出廠調整的重定閾值電壓,電壓介於1.575-4.625V,增量約為100mV。這些元件提供推挽或漏極開路低位準有效復位輸出,具備使用外部電容調節的復位超時和看門狗超時。MAX16056/MAX16058是唯一包含看門狗計時器的元件,MAX16056 和MAX16058採用8接腳TDFN封裝,MAX16057和MAX16059採用6接腳TDFN封裝,額定汽車級溫度範圍為-40°C至125°C。

圖4. MAX16056應用示例(看門狗用於可編程振盪器)

圖5. 不同方案振盪器性能比較

圖6. 電源故障預警連接示例
圖4為將MAX16056用於可編程振盪器示例,用此元件可以節省電能,因為它們的功耗比整合振盪器低很多。WDI接地而非連接到微處理器,看門狗將不斷被觸發,在輸出端創建脈衝並透過兩個外部電容設定時序。當復位為低位準時,MOSFET將導通並向系統供電;當復位為高位準時MOSFET則關斷,在此期間系統並不會消耗任何功率。對於可定期進入休眠狀態的系統,這些特性非常有用。
圖5是使用CMOS 555計時器和MAX16056建構的振盪器性能比較。使用業界標準CMOS 555計時器建構的類似電路需要約50uA的電源電流,典型CR2016鈕扣型電池的容量為80mAh,因此,555計時器電路可持續使用達約60天。相較之下,MAX16056電路電流消耗為0.125uA,其使用壽命遠遠超過電池的10年儲藏壽命。
三、具有電源故障警告的電源監控器
具有電源故障警告的電源監控器是優化電池供電解決方案的一種措施。電源故障警告可預警電源故障並向微處理器發出提醒,是微處理器監控電路中的一個特性,通常表示為PFI(電源故障輸入)和PFO(電源故障輸出)。
圖6為電源故障預警連接示例,鋰電池堆為系統供電,DC/DC轉換器則提供多個穩壓輸出電壓。該示例中同時監控3路電壓: 3.3V、2.5V和1V,PFI接腳透過分壓電阻直接監控鋰電池堆電壓。如果電源處於故障的邊緣,PFO則將提供預警為系統留出足夠的時間來準備有序關斷。
3.1. LTC2911:此為一款低功耗、高精度三電源監控器,具有電源故障比較器。復位超時週期可透過外部電容進行選擇或在內部選擇(200ms)。LTC2911可監控三個通道電壓,一個通道監控3.3V固定電源,一個通道監控5V、2.5V,1.8V、1.2V或可調電源,第三個通道可調節至0.5V閾值,允許電阻分壓配置其閾值,在整個工作溫度範圍內均具有嚴格的1.5%閾值精度。當PFI的電壓降至0.5V以下時,PFO輸出拉至低位準,因此允許電阻分壓來配置電源故障門檻。該元件採用節省空間的8接腳TSOT23封裝和3x2mm DFN封裝。
3.2. LTC2960-2,此元件靜態電流為850nA,支援高達36V的電壓輸入,監控Vout以提供低電量訊號作為即將關斷的預警,ADJ和RST接腳提供早期預警。透過監控ADJ輸入且在輸入電壓降至閾值以下時將RST輸出拉至低位準,而當輸入電壓升至閾值以上時,復位超時週期會延遲RST輸出恢復至高阻抗狀態的時間。IN和OUT用於驅動PMOS以中斷通向Vout的路徑,防止電池過度放電。外部電阻分壓器用於配置自訂比較器閾值, 支援手動復位輸入來實現復位輸出的外部啟動。LTC2960-1和LTC2960-3為同相輸入,LTC2960-2和LTC2960-4為反相輸入,均採用2x2mm 8引線DFN和ThinSOT封裝。
四、按鈕控制器
按鈕控制器具有運輸和休眠兩個模式,其對於提高電池使用效率非常實用,是優化電池供電的有效方案之一。運輸模式是一種Nanopower狀態,可在產品運輸階段延長電池壽命。在運輸模式下,電池與系統其餘部分斷開連接,以盡可能減少產品閒置或不使用時的電力消耗。運輸模式可透過按鈕解除,以恢復元件的正常運作。當元件處於啟動狀態時,可使用休眠模式來延長電池壽命。在休眠模式下,系統所有周邊設備若不是關閉, 就必須以最低功率要求運行。物聯網元件會定期喚醒,當執行特定任務後並將重回到休眠模式。
4.1. MAX16150:電源範圍為1.3-5.5V,待機電流消耗低於20nA以確保最大限度降低功耗。該元件可作為獨立的INT輸出,當檢測到有效的按鈕訊號時則系統中斷,非同步CLR輸入支援透過外部訊號使鎖存輸出處於OFF狀態。MAX16150的傳統解決方案是使用負載開關、RTC來開/關無線感測器節點的電源,此方案下只有負載開關和RTC處於啟動狀態,因此可以將總靜態電流減少至nA級。休眠時間可以透過無線感測器節點內的微控制器進行編程設定,並且外部按鈕控制器可以連接到負載開關以啟用運輸模式特性。外部按鈕用於退出運輸模式而使無線感測器節點進入正常運行模式。MAX16150工作溫度範圍為-40℃至125℃,採用WLP和ThinSOT23封裝。
4.2. MAX16163/MAX16164:屬於NanoPower控制器系列,具有開/關控制器和可編程休眠時間特性。整合了電源開關來選擇性控制輸出,提供高達200mA的負載電流,休眠電流約為30nA,關斷電流低至10nA,可以使用外部電阻對休眠時間進行編程或者透過I2C匯流排進行編程。該元件可以取代傳統的負載開關、RTC和電池重設IC以減少BOM並降低成本。無線感測器節點單元透過MAX16162/MAX16163連接到電池,休眠時間可透過微控制器進行編程,可使用PDSLP接地的外部電阻或者來自微控制器的I2C命令進行設定。外部按鈕用於退出元件的運輸模式。工作溫度範圍為-40°C至125°C,採用6接腳WLP封裝或6接腳MicroDFN封裝,是功耗更低且尺寸更精巧的整合式解決方案,非常適合電池供電設備、遠端感測器、物聯網、可攜式儀錶、掌上型消費性電子裝置、工業設備和一次性低功耗電子裝置等應用。
4.3. LTC2956:具有按鈕控制器的喚醒計時器,雖未進行電池保鮮密封但可以處理高達36V的電源輸入,具有可調喚醒週期和可調最大喚醒時間。靜態電流僅為0.8uA,關斷電流僅為0.3uA,採用2x3mm QFN和MSOP封裝。
總結
ADI提供全面性的電源監控器產品:NanoPower系列延長電池壽命提供必要的功能以提高系統可靠性、看門狗計時器透過監控微控制器或微處理器的軟體完整性來提供額外的安全性、電源故障警告提供即將發生的電源故障的預警,並防止電池深度放電;按鈕控制器則透過將其用作為電池保鮮密封件,或者為可定期喚醒的系統啟用深度休眠模式。這些方案均非常適合電池供電應用,並可大幅提高電池能效比,進一步延長電池壽命。
安馳科技 FAE support. Please e-mail
關注對手已經在做的新技術、產品與安馳抽獎活動
► Marketing.anstek@macnica.com
► 或加 安馳科技 LINE 洽詢
► 追蹤 安馳科技 Facebook
► 請加入 安馳YouTube頻道
► 立即填寫料號 申請樣品