CCD TOF訊號處理器,具有可編成定時和V驅動器

產品詳情
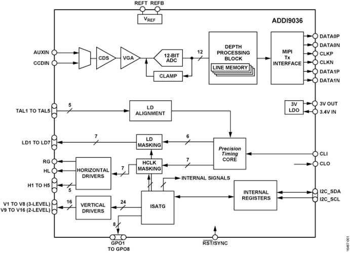
ADDI9036是一款完整的45 MHz前端解決方案,適用於電荷耦合元件(CCD)飛時測距(TOF)成像應用。
ADDI9036包括一個類比前端(AFE)、一個可編成指令集架構(ISA)時序發生器(ISATG)、一個7通道半導體雷射管(LD)驅動器、一個7通道H驅動器和一個16通道垂直驅動器(V驅動器)。
精密定時內核允許在 45 MHz 操作時®以大約 174 ps 的解析度調整 CCD 水平時鐘和 LD 輸出。
AFE 包括黑電平鉗位、相關雙採樣器 (CDS)、可變增益放大器 (VGA) 和 12 位模數轉換器 (ADC)。AFE 資料通過 MIPI® CSI-2 傳輸介面輸出。
內部寄存器可通過I²C串行介面進行程式設計。
ADDI9036採用6 mm×6 mm、117引腳WLCSP封裝,工作溫度範圍為−20°C至+85°C。
應用
-
TOF CCD相機
特點和優勢
-
12位元、45 MHz ADC
-
具有可變增益的 CDS
-
0 dB 至 36 dB,10 位 VGA
-
帶可變電平控制的黑電平鉗
-
精密定時內核,解析度為 174 ps
-
集成 7 通道 H 驅動器和 RG 時鐘驅動器
-
7通道LD驅動器
-
集成 16 通道 V 驅動器
-
完整的單晶片ISA時序發生器
-
I²C 串行介面
-
MIPI CSI-2 發送介面,支援 1 或 2 個資料通道
-
用於外部晶體的片上驅動器
-
8 個 GPO
-
6 mm × 6 mm 117 引腳 WLCSP 封裝,間距為 0.5 mm
聯繫我們
ADI 所有產品請洽【 安馳科技 】
安馳科技|ADI亞德諾半導體網站:https://anstekadi.com
安馳科技 LINE 官方帳號:https://lin.ee/5gcKNi7
安馳科技 Facebook 官方帳號:https://www.facebook.com/ANStek3528
安馳科技EDM訂閱 https://anstekadi.com/Home/EDM
申請樣品與技術支援:https://www.surveycake.com/s/dQ3Y2
與我聯絡:Marketing.anstek@macnica.com