ADP1031 是一款高性能、隔離式微功耗管理單元 (PMU),它結合了隔離型反激式 DC-DC 調節器、反相型 DC-DC 調節器和降壓型 DC-DC 調節器,提供三個隔離電源軌道。此外,ADP1031 還包含四個高速序列外設介面 (SPI) 隔離通道和三個通用隔離器,可用於通道到通道的應用,需要低功耗和小尺寸解決方案。
【產品介紹】ADUM6000是一款隔離式、5 kV、直流/直流轉換器
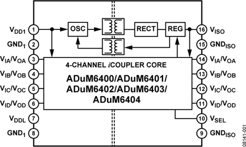
ADuM6000是一款基於Analog Devices, Inc. iCoupler®技術的隔離式DC/DC轉換器。該器件中的DC/DC轉換器在輸入和輸出電壓的多種組合中提供穩定的隔離電源。